EE-SPY402 Cảm Biến Quang Phản Xạ Khoảng Dò 5mm NPN 5~24VDC
Cảm biến quang EE-SPY402 Loại phản xạ khuếch tán. 5-24VDC, Khoảng cách phát hiện 5mm, Đầu ra NPN Light-On
Thông Số Kỹ Thuật :
| Phương pháp cảm biến | Phản xạ khuếch tán |
|
Chế độ hoạt động |
Ngõ ra NPN Light-On : 80mA |
|
Khoảng cách cảm nhận |
5mm |
|
Đối tượng cảm nhận |
Tối thiểu : 15 x 15 mm |
|
Nguồn sáng (bước sóng) |
Đèn LED hồng ngoại GaAs |
|
Bảo vệ |
Không bảo vệ ( model không có mạch bảo vệ phân cực nghịch ) |
|
Điện áp |
5-24 VDC ±10%
|
|
Nhiệt độ môi trường |
-10 đến 55 ° C (không đóng băng hoặc ngưng tụ) |
|
Tiêu chuẩn |
IEC60529 IP50 |
|
Phương thức kết nối |
Chân cắm |
|
Chất liệu vỏ |
Polycarbonate |
| Phụ kiện kèm theo | - |
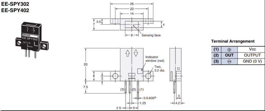
Kích Thước EE-SPY402 :

Sơ Đồ Đấu Dây EE-SPY402 :

